产品介绍
一、概述
我公司生产的无线压力变送器系采用进口高稳定扩散硅传感器和目前性能及稳定性都非常卓越的Freescale超低功耗的微处理器及高精度传感器信号调理电路为一体的智能化压力检测仪表;在此基础上加入了无线远传模块,可与我们的智能无线接收终端组成压力采集系统。本系统改变以往工业上大部分采用RS485和4~20mA电流信号的传输方式和开关电源供电模式,而采用3.6V的锂电池供电;从而简化了安装方式、节约了客户布线的成本,真正达到节能环保的目的。该产品广泛应用于各种工业测压系统中,如油田、电力、石化和一些布线不方便的场合。
1、系统的设计理念
1)、更加稳定
本压力变送器在传统的基础上,通过采用优质元器件、高精度可靠信号处理电路、防干扰电路、软硬件补偿等多方面技术,并通过大量实验和检测使得仪表具有测量数据精确、抗干扰能力强、易于操作等优点。
2)、无线传输
以往的各种温度变送器一般具有4~20mA输出信号,有的还是就地显示方式,需要通过导线将信号送到值班室采集或值班人员到现场抄录数据,由于工业现场环境较为恶劣,供电系统不稳定、维护设备造成导线损坏及难于管理等原因,造成数据取得的不可靠、不真实。本压力变送器采用目前世界上最先进的微功率无线通讯技术,测控仪表、监测装置均工作在480MHz(或2.4GHz)无线开放频段;现场的数据、报警、保护等参量,均能无线、可靠传输到值班室,克服了以往需要人员现场抄表和用导线长距离输送的不便,从而达到以人为本、节约的目的。
3)、节能环保
传统的压力变送器,需要有市电交流或直流供电;而本仪表采用最新低功耗技术,用高功率锂电池供电,3.6V单节电池可以可靠使用一年半以上,仪表无需考虑后端的负载问题,无后续的A/D转换,直接将高精度的测量数据值无线发送到值班室的接收终端机上,再通过终端机上传后台进行统一的数据管理。
2、系统原理
将本仪表的安装在管道上,当管道中的介质作用于敏感元件上,使之受压,其内部电路检测出与过程压力成正比的电信号,通过线性放大电路对该信号进行精确的放大、补偿等处理后,进入微处理器进行数据的测量、处理、显示,并将测量数据无线传输到远方的终端设备上。
二、主要技术指标
1) 量程:0~60(MPa);
2) 供电电源:单节3.6V/13Ah锂电池;
3) 精度:0.1级,0.2级,0.5级;
4) 显示:五位静态液晶,显示清晰、无残留;
5) 过载:150%FS;
6) 传输距离:视距 >500米;
7) 采用铝合金外壳、坚固、耐腐蚀;
8) 环境温度:-30℃~+75℃;
9) 环境湿度:<95%RH;
10) 零点温度漂移:±0.015%FS/℃;
11) 灵敏度温度漂移:±0.015%/℃;
12) 适用介质:油、气、水等液体;
13) 防爆等级:ExdⅡBT4;
14) 频率:中心频率480MHz(或2.4GHz);
15) 可与配套的接收机组网;
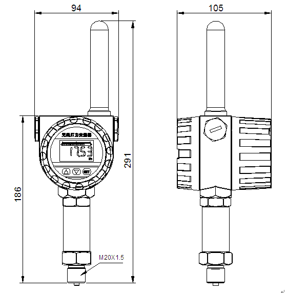
三、安装尺寸及接口说明
1、外形尺寸图

2、安装示意图:
无线压力变送器一般采用M20×1.5的连接安装方式,也可根据用户的要求设计制造不同的安装接口和方式。

3、供电方式:
无线压力变送器使用单节高性能、大容量的锂电池供电,一般可使用1.5年以上;更换时,打开压力表的后盖将电池从电池盒拿出,换上新电池即可。
上一篇: XS-680A无线压力变送器
下一篇:无线差压变送器